Timing Belt and Cover for 2002 Chrysler PT Cruiser
Mopar Dowel Pin
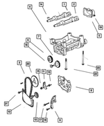
Item 13 Pin Kit Also Contained in Short Block Engine Kit. All Plugs And Dowel Pins Must Be Installed On Cylinder Block Before Installing Engine.. Timing Chain Case Cover To Cylinder Block
Mopar Screw
M6x1x12. Prop Shaft Heat Shield to Trans Pan
Mopar Hex Flange Head Bolt
M12x1.75x87.50. Damper To Crankshaft
Mopar Crankshaft Sprocket Key
[.157X.690]. Crankshaft Timing Sprocket
Mopar Hex Nut-coned Washer Nut And Washer
M6 x 1.00. Carrier Gear Cover To Chain Guide
Mopar Hex Head Screw And Washer
M8X1.251X25.00. Balance Shaft Gear To Balance Shaft
Mopar Hex Head Screw And Washer
M6X1.00X35.00. Chain Tensioner To Carrier Gear Cover
Mopar Hex Head Bolt And Coned Washer
M6x45x12.5. Front Cover To Balance Shaft Carrier
Mopar Hex Head Screw And Washer
M6X1.001X18.00. Rear Balance Shaft Carrier Cover
Mopar Hex Flange Head Bolt
M10x1.50x108. Balance Shaft Carrier To Cylinder Block

