Cart is Empty
2003 Jeep Liberty
Sport 2.4L L4 - Gas
Change Vehicle
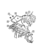
COOLANT RECOVERY
25` Foot Roll
M6x1.00. Shifter sled to body
Intake Hose to Chassis